W naszej ofercie znajdziecie Państwo przekładnie Promotor oraz JPB System:

1. Przekładnia do podajnika ekogroszku PM 50 i=25 Przekładnia Planetarna + Silnik 40W 230V

Napęd ten charakteryzuje się wysoką wydajnością przy zmniejszonym zużyciu prądu względem tradycyjnych przekładni z oddzielnie montowanym silnikiem. Dużym atutem jest cicha praca co zwiększa komfort użytkowania.

Napęd został wyposażony w przełącznik do cofania ślimaka dzięki czemu można łatwo odblokować podajnik. Posiada zabezpieczenie przed przegrzaniem.

Motoreduktor stosowany jest na tzw. pierwszy montaż u wielu producentów. Będzie odpowiedni jako zamiennik do większości kotłów CO aktualnie obecnych na rynku.

Pasuje do kotłów znanych marek takich jak: SAS DEFRO OGNIWO KOSTRZEWA HEIZTECHNIK PEREKO GALMET KLIMOSZ TERMOMETAL METAL-FACH TERMO-TECH RAKOCZY ZĘBIEC KOTREM DREW-MET KAMEN TEKLA KOTŁOSTAL BAT-GAZ KOŁTON

Jeśli nie jesteś pewny, skontaktuj się z nami. Dział obsługi klienta chętnie doradzi i pomoże wybrać odpowiedni napęd do Państwa kotła.

CENA
570zł brutto

Dokumentacja techniczno ruchowa motoreduktora walcowo ślimakowego PM 50 i=25 40W

Napięcie Zasilania 230V
Częstotliwość znamionowa 50Hz
Znamionowa moc silnika 40W
Dopuszczalny moment obrotowy 150Nm
Prędkość obrotowa 1,1obr/min
Przełożenie całkowite 1250
Masa 8,5kg
Zabezpieczenie mechaniczne Zawleczka
Wyjście na wałek 25mm
Kołnierz 160mm
Dokumentacja techniczno ruchowa motoreduktora walcowo ślimakowego PM 90/50 40W

2. Przekładnia ślimakowa do podajnika groszku PM 030/050 i=1200 kołnierz 63B14 W-Gear bez silnika

Przekładnia stosowana jest na tzw. pierwszy montaż u wielu producentów. Będzie odpowiedni jako zamiennik do większości kotłów CO obecnych na rynku.

Pasuje do kotłów znanych marek takich jak: SAS DEFRO OGNIWO KOSTRZEWA HEIZTECHNIK PEREKO GALMET KLIMOSZ TERMOMETAL METAL-FACH TERMO-TECH RAKOCZY ZĘBIEC KOTREM DREW-MET KAMEN TEKLA KOTŁOSTAL BAT-GAZ KOŁTON

Idealna dla silników o mocy od 90W do 180W. U nas możesz kupić gotowy zestaw składający się z przekładni W-gear I=1200 oraz silnika 180W.

Jeśli nie jesteś pewny, skontaktuj się z nami. Dział obsługi klienta chętnie doradzi i pomoże wybrać odpowiedni napęd do Państwa kotła.

CENA
450zł brutto

Dokumentacja techniczno ruchowa przekładni ślimakowej PM 030/050 i=1200

Prędkość obrotowa 1,1obr/min
Przełożenie całkowite 1200
Masa 6kg
Zabezpieczenie mechaniczne Zawleczka
Wejście na wałek 11mm
Wyjście na wałek 25mm
Kołnierz 160mm

3. Przekładnia napęd do podajnika pelletu 2IK10GN-CP /2GN-150-LK 10W I=150

Motoreduktor 2IK10GN-CP/2GN-150-LK to solidny napęd do podajników pelletu w kotłach grzewczych, zaprojektowany do stabilnej, precyzyjnej pracy przy dozowaniu paliwa.

Przeznaczony do montażu bezpośrednio do płyty głównej kotła, nie posiada wtyczki. Kondensator jest dołączony do zestawu.

Motoreduktor stosowany jest na tzw. pierwszy montaż u wielu producentów. Będzie odpowiedni jako zamiennik do większości kotłów CO aktualnie obecnych na rynku.

Pasuje do kotłów znanych marek takich jak: SAS DEFRO OGNIWO KOSTRZEWA HEIZTECHNIK PEREKO GALMET KLIMOSZ TERMOMETAL METAL-FACH TERMO-TECH RAKOCZY ZĘBIEC KOTREM DREW-MET KAMEN TEKLA KOTŁOSTAL BAT-GAZ KOŁTON

Jeśli nie jesteś pewny, skontaktuj się z nami. Dział obsługi klienta chętnie doradzi i pomoże wybrać odpowiedni napęd do Państwa kotła.

CENA
199,99zł brutto

Dokumentacja techniczno ruchowa przekładni 2IK10GN-CP /2GN-150-LK 10W I=150

Napięcie Zasilania 230V
Częstotliwość znamionowa 50/60Hz
Znamionowa moc silnika 10W
Prąd znamionowy 0.13A
Prędkość obrotowa 8obr/min
Moment obrotowy 4Nm
Przełożenie całkowite 150
Masa 1,7kg
Wyjście wałek 8mm
Kołnierz 70mm

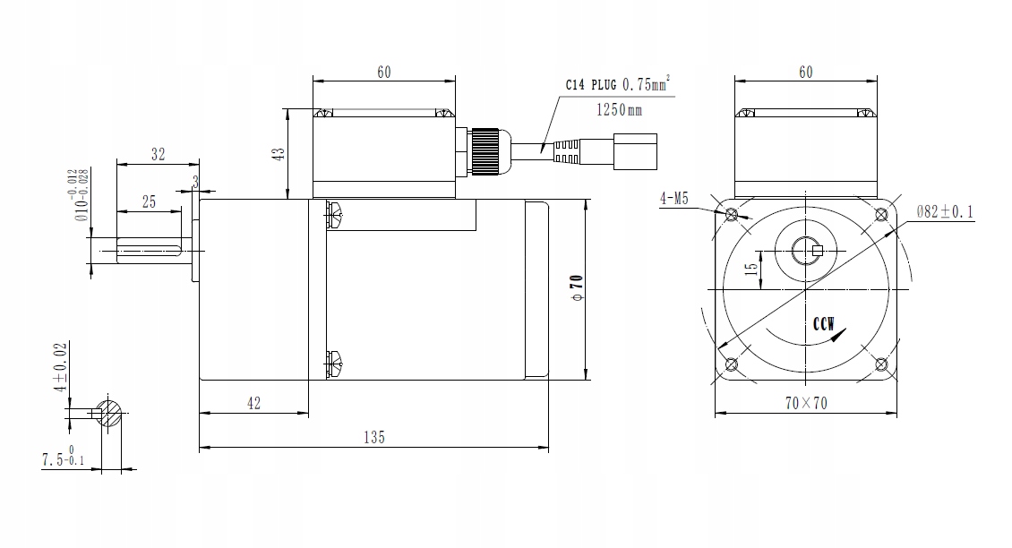
4. Przekładnia napęd do podajnika pelletu 31K15GN-CPT /3GN-100K 15W I=100

Motoreduktor 31K15GN-CPT /3GN-100K I=100 to solidny napęd do podajników pelletu w kotłach grzewczych.

Posiada wtyczkę 3-PIN do połączenia ze sterownikiem.

Napęd został wyposażony w przełącznik do cofania ślimaka dzięki czemu można łatwo odblokować podajnik. Posiada zabezpieczenie przed przegrzaniem.

Motoreduktor stosowany jest na tzw. pierwszy montaż u wielu producentów. Będzie odpowiedni jako zamiennik do większości kotłów CO aktualnie obecnych na rynku.

Pasuje do kotłów znanych marek takich jak: SAS DEFRO OGNIWO KOSTRZEWA HEIZTECHNIK PEREKO GALMET KLIMOSZ TERMOMETAL METAL-FACH TERMO-TECH RAKOCZY ZĘBIEC KOTREM DREW-MET KAMEN TEKLA KOTŁOSTAL BAT-GAZ KOŁTON

Jeśli nie jesteś pewny, skontaktuj się z nami. Dział obsługi klienta chętnie doradzi i pomoże wybrać odpowiedni napęd do Państwa kotła.

CENA
199,99zł brutto

Dokumentacja techniczno ruchowa przekładni 31K15GN-CPT /3GN-100K 15W I=100

Napięcie Zasilania 230V
Częstotliwość znamionowa 50/60Hz
Znamionowa moc silnika 15W
Prąd znamionowy 0.28A
Prędkość obrotowa 12obr/min
Moment obrotowy 3,5Nm
Przełożenie całkowite I=100
Masa 2kg
Wyjście wałek 10mm
Kołnierz 82mm

5. Przekładnia napęd do podajnika pelletu 31K15GN-CP -3GN-200-LK 15W I=200

Motoreduktor 3IK15GN-CP/3GN-200-LK I=200 to solidny napęd do podajników pelletu w kotłach grzewczych.

Posiada wtyczkę 3-PIN do połączenia ze sterownikiem.

Przekładnia I=200 doskonale nadaje się jako zamiennik do przekładni I=180. Po montażu należy zwiększyć czas podawania paliwa.

Napęd został wyposażony w przełącznik do cofania ślimaka dzięki czemu można łatwo odblokować podajnik. Posiada zabezpieczenie przed przegrzaniem.

Motoreduktor stosowany jest na tzw. pierwszy montaż u wielu producentów. Będzie odpowiedni jako zamiennik do większości kotłów CO aktualnie obecnych na rynku.

Pasuje do kotłów znanych marek takich jak: SAS DEFRO OGNIWO KOSTRZEWA HEIZTECHNIK PEREKO GALMET KLIMOSZ TERMOMETAL METAL-FACH TERMO-TECH RAKOCZY ZĘBIEC KOTREM DREW-MET KAMEN TEKLA KOTŁOSTAL BAT-GAZ KOŁTON

Jeśli nie jesteś pewny, skontaktuj się z nami. Dział obsługi klienta chętnie doradzi i pomoże wybrać odpowiedni napęd do Państwa kotła.

CENA
199,99zł brutto

Dokumentacja techniczno ruchowa przekładni 31K15GN-CP -3GN-200-LK 15W I=200

Napięcie Zasilania 230V
Częstotliwość znamionowa 50/60Hz
Znamionowa moc silnika 15W
Prąd znamionowy 0.28A
Prędkość obrotowa 7obr/min
Moment obrotowy 7Nm
Przełożenie całkowite I=200
Masa 2kg
Wyjście wałek 10mm
Kołnierz 82mm

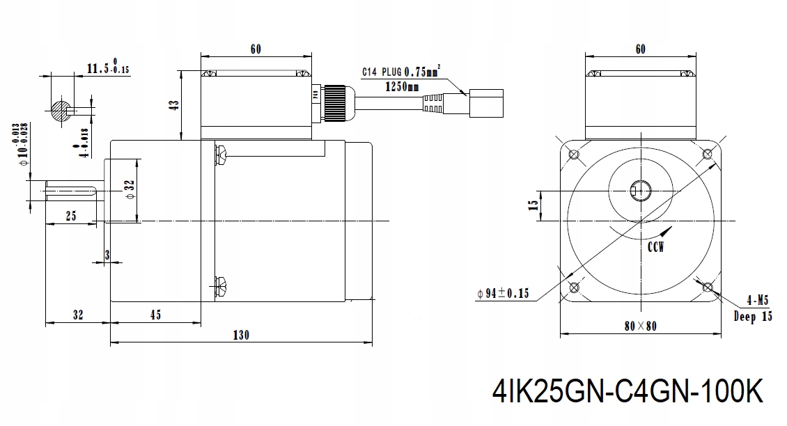
6. Przekładnia napęd do podajnika pelletu 4IK25GN-C/4GN-100K 25W I=100

Motoreduktor 4IK25GN-C/4GN-100K 25W I=100 to solidny napęd do podajników pelletu w kotłach grzewczych.

Posiada wtyczkę 3-PIN do połączenia ze sterownikiem.

Napęd posiada zabezpieczenie przed przegrzaniem.

Motoreduktor będzie odpowiedni jako zamiennik do większości kotłów CO aktualnie obecnych na rynku.

Pasuje do kotłów znanych marek takich jak: SAS DEFRO OGNIWO KOSTRZEWA HEIZTECHNIK PEREKO GALMET KLIMOSZ TERMOMETAL METAL-FACH TERMO-TECH RAKOCZY ZĘBIEC KOTREM DREW-MET KAMEN TEKLA KOTŁOSTAL BAT-GAZ KOŁTON

Jeśli nie jesteś pewny, skontaktuj się z nami. Dział obsługi klienta chętnie doradzi i pomoże wybrać odpowiedni napęd do Państwa kotła.

CENA
249,99zł brutto

Dokumentacja techniczno ruchowa przekładni 4IK25GN-C/4GN-100K 25W I=100

Napięcie Zasilania 230V
Częstotliwość znamionowa 50/60Hz
Znamionowa moc silnika 25W
Prąd znamionowy 0.21A
Prędkość obrotowa 12obr/min
Moment obrotowy 6Nm
Przełożenie całkowite I=100
Masa 2,5kg
Wyjście wałek 10mm
Kołnierz 94mm